
Miniature Bearings Australia
BF0060-0100-0040-BS1420LT - Datasheet
MBA
Category Information
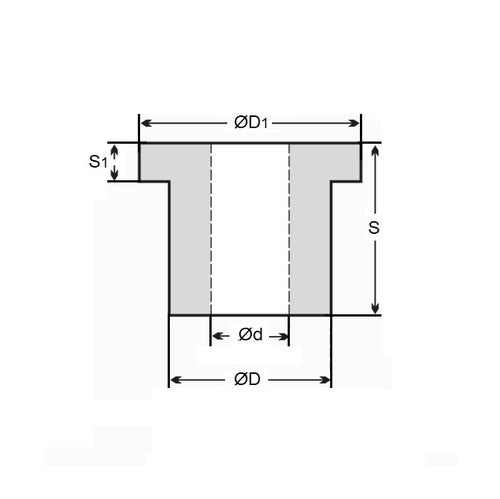
Bushes - Flanged - Bronze - SinteredSintered Bronze Flanged Bushes. Oil impregnated flanged sintered bronze bushes.
- An expanded range may be available on special order. Please enquire.
- Precision items show an allowable Load Speed Rating in Newtons times RPM.
Product Data
- Nominal Inside Diameter (d)
:
6.000
mm
+ 0.000 / + 0.025
(Equiv. 0.236 in.) - Nominal Outside Diameter (D)
10.000
mm
+ 0.025 / + 0.051
(Equiv. 0.394 in.) - Length (s)
4.000
mm
+/- 0.127
(Equiv. 0.157 in.) - Flange OD (D1) 14.00 mm
- Flange Thickness (S1) 2.00 mm
- Material Bronze SAE 841 Sintered
Product Compliance and Data
Additional Resources
- DU Bush Material Information
- General Bushes Catalogue
- Sintered Bronze Products Catalogue
- Solid Bronze Bushes catalogue
Cross References
- Oilube FFM610-4
- SKF PSMF061004A51
- A7B4MF061004
- BF006001000040LT
- BF006001000040BS
- BF006001000040BSLT
- FFM6104
- QFM8-4
- QFM84


