Small Parts & Bearings
Miniature Bearings Australia

RR-243 - Datasheet

MBA

Category Information

Retaining Rings - Internal - Spiral Rings - Medium Duty - Carbon Steel

Carbon Steel Medium Duty Spiral Rings Internal Retaining Rings. Includes AI / WH / AS3217 / RR / MIL-R-27426B1 - Spring Steel

  • An expanded range may be available on special order. Please enquire.
  • Popular series that will accommodate light and medium bearing series thrust loads.
  • Available in military and aerospace specifications.
  • Equivalent to Associated Spring: AI, Smalley: WH, Spirolox and Ramsey: RR, Aerospace AS3217, MIL-R-27426B1

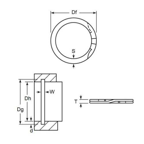
Product Data

  • Housing Bore (B) : 61.79 mm
    (Equiv. 2.433 in.)
  • Clip Thickness (T) 1.25 mm +/- 0.08
    (Equiv. 0.049 in.)
  • Groove Dia. (Dg) 63.98 mm
    (Equiv. 2.519 in.)
  • Approx. Loose Circlip OD (Dr) 64.51 mm + 0.64 / - 0.00
  • Radial Wall (S) Approx. 3.76 mm +/- 0.10
  • Groove Width (W) 1.47 mm +/- 0.15
  • Approx. Loose Clip ID 56.99 +/- 0.05
  • Groove Depth (d) 1.04
  • Material Carbon Spring Steel
Country of Origin: US

Product Compliance and Data

Additional Resources

Cross References

  • Associated Spring AI-243
  • Smalley RR-243
  • Spirolox RR-243
  • Smalley WH-243
  • Spirolox WH-243
  • WH243
  • AI243
  • RR243
View full details