
Miniature Bearings Australia
FL204 - Datasheet
MBA
Category Information
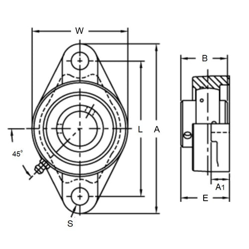
Housings - Flanged - 2 Bolt - Cast Iron to Suit Spherical OD BearingCast Iron to Suit Spherical OD Bearing 2 Bolt Flanged Housings. Lubrication Groove.
- An expanded range may be available on special order. Please enquire.
- Bearings sold separately.
- Larger sizes available on request.
- Use with steel bearing inserts for cast iron housings.
Product Data
- Height (H)
:
60.000
mm
(Equiv. 2.362 in.) - Length (L)
113.000
mm
(Equiv. 4.449 in.) - Width - Assembled (W)
33.300
mm
(Equiv. 1.311 in.) - Bolt Hole Centres (J) 90.000 mm
- Base Width (A1) 12.000 mm
- Bearing Width (B) 31.000 mm
- To Suit Bearing UC201 - UC202 - UC203 - UC204
- Bolt Hole Size (s) 12.000 mm
- Material Cast Iron
Product Compliance and Data
Additional Resources
Cross References
- Nachi FL204J


