
Miniature Bearings Australia
CP-064P-064-33-0610-FSC - Datasheet
MBA
Category Information
Flexible Shafts - Panel Mount - CasedCased Panel Mount Flexible Shafts. This is the main category in this series
- This category will be discontinued when the remaining items are sold.
- All items are priced to quit.
- Backorders or orders for previously listed items in the category may still be possible - please enquire.
Product Data
Deleted Item. Available while stocks last.
Please contact us first if you wish to use this item in a new design so we can check whether production can be resumed.
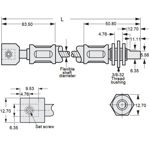
- Bore Size : Panel Mount 6.38 mm + 0.05 / - 0.00
- Length
609.6
mm
(Equiv. 24 in.) - Flexible Cable Diameter
3.30
mm
(Equiv. 0.13 in.) - End Fitting Type C3 / Panel Mount
- Casing Support No Bearing
- Material Steel / Plated Steel
Product Compliance and Data
Additional Resources
Cross References
- A7C14-24433
- A7C1424433
- A 7C14-24433


