
Miniature Bearings Australia
CLP-064-0171-P - Datasheet
MBA
Category Information
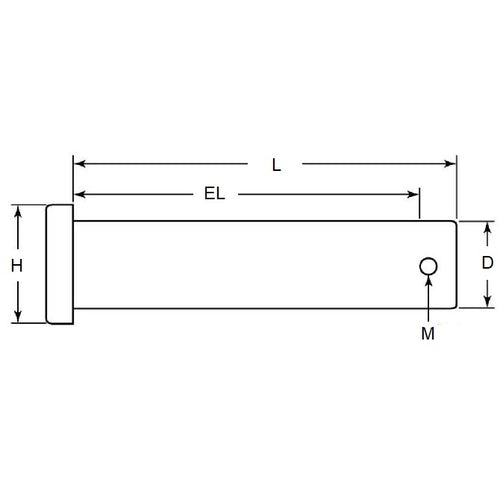
Pins - Clevis - Pin Locking - Low Carbon SteelLow Carbon Steel Pin Locking Clevis Pins. Match with a suitable R-Clip or Spilt Pin - pin size shown in listings
- Non-threaded fastener with a head on one end and a hole/groove on the other, used to connect two or more parts in a way that allows for rotation, similar to a bolt, by passing through aligned holes.
- A retaining pin, such as a cotter pin, E-clip or R-clip, is inserted into the hole/groove at the end to keep the clevis pin secured in place.
- In addition to retaining parts on a shaft or axle, clevis pins can also be used as light duty axles, spring holders or even fishing line weights.
- Made from low carbon steel
Product Data
- Nominal Pin Diameter (D)
:
6.35
mm
- 0.05 / - 0.18
(Equiv. 0.25 in.) - Grip Length (EL)
17.07
mm
+ 0.51 / - 0.00
(Equiv. 0.672 in.) - Nom. Length (L)
19.46
mm
+ 0.51 / - 0.00
(Equiv. 0.766 in.) - Ret. Pin Dia. (M) 2.4 mm
- RCL-020-057-Z
- Material Carbon Steel - Low Carbon 1010 or 1018 Steel
Product Compliance and Data
Additional Resources
Cross References
- 98306A158
- Reid Tool® YP-32
- YP32


