
Miniature Bearings Australia
BF0064-0095-0064-BS1312TT - Datasheet
MBA
Category Information
Bushes - Flanged - Bronze - SinteredSintered Bronze Flanged Bushes. Oil impregnated flanged sintered bronze bushes.
- An expanded range may be available on special order. Please enquire.
- Precision items show an allowable Load Speed Rating in Newtons times RPM.
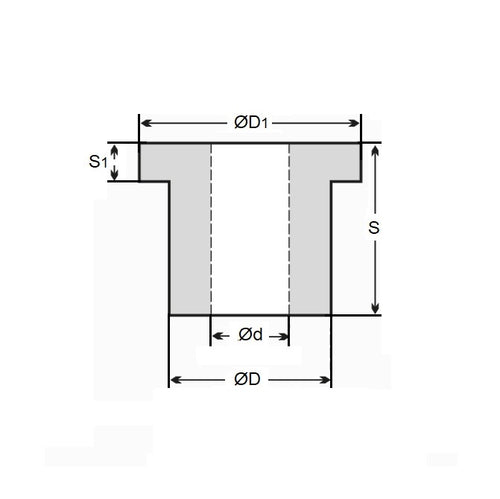
Product Data
- Nominal Inside Diameter (d)
:
6.350
mm
+ 0.025 / + 0.051
(Equiv. 0.25 in.) - Nominal Outside Diameter (D)
9.525
mm
+ 0.025 / + 0.051
(Equiv. 0.375 in.) - Length (s)
6.350
mm
+/- 0.191
(Equiv. 0.25 in.) - Flange OD (D1) 12.70 mm
- Flange Thickness (S1) 1.19 mm
- Material Bronze SAE 841 Sintered
Product Compliance and Data
Additional Resources
- DU Bush Material Information
- General Bushes Catalogue
- Sintered Bronze Products Catalogue
- Solid Bronze Bushes catalogue
Cross References
- 6338K411
- Boston FB-46-2
- Oilite FB46-2
- Small Parts FBB-4-4
- A7B4-SF081202
- A7B4SF081202
- FB462
- FBB44
- BF006400950064BS1312
- BF006400950064BSF1312


