
Miniature Bearings Australia
GHK0635-0635-102 - Datasheet
ExaktKey
Category Information
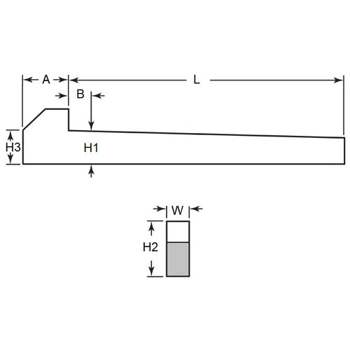
Keys - Gib Head - SteelSteel Gib Head Keys. Tapered 3.000 mm per 300 mm (1:100)
- An expanded range may be available on special order. Please enquire.
Product Data
- Nominal Key Height (H1)
:
6.350
mm
(Equiv. 0.25 in.) - Width (W)
6.350
mm
(Equiv. 0.25 in.) - Length (L)
101.6
mm
(Equiv. 4 in.) - Head Height (h2) Approx. 11.1 mm
- Approx (B) 5.08
- Approx (H3) 7.14
- Taper 1:100
- Standard BS46
- Head Length (Approx) (A) 7.94 mm
- Material Cold Finished Steel
Product Compliance and Data
Additional Resources
Cross References
- 98471A137
- NoCor GIB-0250-4000
- GIB02504000


