
Miniature Bearings Australia
BLTO-00635-S440-1 - Datasheet
MBA
Category Information
Balls - Tooling - One Piece - Standard - Slip Fit - Stainless SteelStainless Steel Slip Fit Standard One Piece Tooling Balls. 440C Stainless Steel heat treated to 55-58 RC
- High quality tooling balls provide a precise reference point for critical machining operations.
- Tooling balls, also known as tooling spheres or precision spheres, are precision components used in fixture design, tooling setup, and alignment applications.
- Tooling balls are made of hardened steel or other materials with high wear resistance and precision-ground surfaces.
- Available with slip fit or light press fit shank diameters.
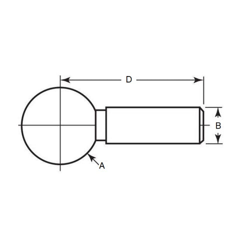
Product Data
- Diameter (A)
:
6.350
mm
+/- 0.0051
(Equiv. 0.25 in.) - Shank Diameter (B)
3.175
mm
+ 0.0000 / - 0.0102
(Equiv. 0.125 in.) - Base to Centre (C)
14.300
mm
(Equiv. 0.563 in.) - Material Stainless Steel
Product Compliance and Data
Additional Resources
Cross References
- Reid Tool® STB-26705
- STB26705


