
Miniature Bearings Australia
REF-064-L-CB - Datasheet
MBA
Category Information
Rod Ends - Female - Steel - Plain - Bronze LinedBronze Lined Plain Steel Female Rod Ends. Imperial and Metric / Carbon Steel. Also known as Heim Joints
- An expanded range may be available on special order. Please enquire.
- Dimensions not shown are available on request.
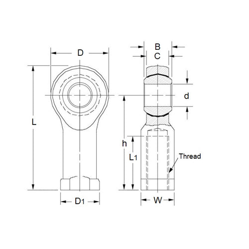
Product Data
- Eye Size (d1)
:
6.35
mm
(Equiv. 0.25 in.) - Overall Length (L)
42.85
mm
(Equiv. 1.687 in.) - Thread Size (T) 1/4-28 UNF Left
- Thread Length (l2) 19.05 mm
- Head Width (W) 7.14 mm
- Eye Width (W1) 9.53 mm
- Head Diameter (D) 19.05 mm
- Centre Height (l1) 33.32 mm
- Grease Nipple No
- Body Width/Flange Width(W2/D3) 9.53 / 11.89 mm
- Material Bronze Lined Steel
Product Compliance and Data
Additional Resources
Cross References
- 6072K154-LEFT
- ASAHI JAFB4L
- KWK KFB4L
- IKO PHSB4L
- Nachi PHSB-4L
- NTN SFI-B4L
- 6072K154LEFT
- SFIB4L


