Small Parts & Bearings
Miniature Bearings Australia

T-0064-0175-0008-RW - Datasheet

MBA

Category Information

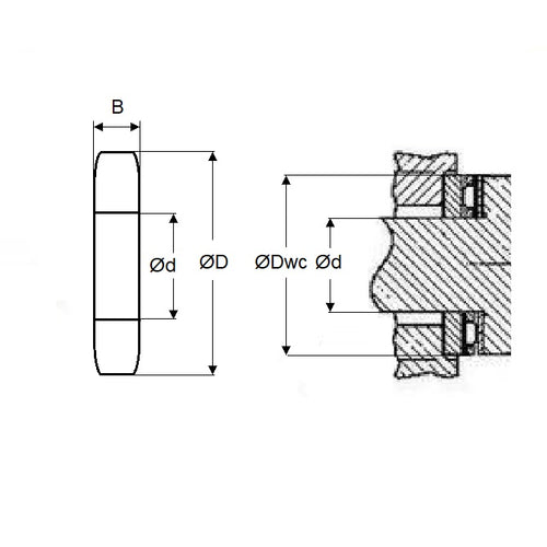
Bearings - Thrust Roller - Washers Only

Washers Only Thrust Roller Bearings. Caged Rollers sold separately. Match these washers with cage and roller assembly from the cage and roller assembly category.

  • Thrust roller bearings come in two parts, a caged roller bearing, and the washers sold separately.
  • Some sizes have a range of washer thicknesses to choose from. Most applications will require two washers to each caged roller.
  • Raceway hardness 58 HRC.
  • Limiting Speeds are based on adequate oil lubrication.
  • Load ratings are a guide taking into consideration ideal operating conditions.
  • Dimensions given are nominal.
  • Select the correct washer OD. Some washers listed here are to suit thrust ball bearings.

Product Data

  • Bore (d Nom.) : 6.35 mm
    (Equiv. 0.25 in.)
  • O.D. (D Nom.) 17.45 mm
    (Equiv. 0.687 in.)
  • Washer or Bearing Washer Only - Carbon Steel
  • Nom. Thickness (B Max) 0.81 mm
  • Shaft Pilot Dia. Range (d) 6.27 - 6.35 mm
  • Diam. to Clear Washer OD (Dwc) 18.26 mm
  • Material Carbon Steel
Country of Origin: JP

Product Compliance and Data

Additional Resources

    Cross References

    • 5909K231
    • Torrington TRA-411
    • TRA411
    View full details