
Miniature Bearings Australia
BP0050-0080-0050-BSLL - Datasheet
MBA
Category Information
Bushes - Unflanged - Bronze - SinteredSintered Bronze Unflanged Bushes. Oil impregnated sintered bronze bushes.
- An expanded range may be available on special order. Please enquire.
- Precision items show an allowable Load Speed Rating in Newtons times RPM.
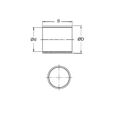
Product Data
- Nominal Inside Diameter (d)
:
5.000
mm
+ 0.000 / + 0.032
(Equiv. 0.197 in.) - Nominal Outside Diameter (D)
8.000
mm
+ 0.019 / + 0.040
(Equiv. 0.315 in.) - Length (s)
5.000
mm
+ 0 / - 0.200
(Equiv. 0.197 in.) - Material Bronze SAE 841 Sintered
Product Compliance and Data
Additional Resources
- DU Bush Material Information
- General Bushes Catalogue
- Sintered Bronze Products Catalogue
- Solid Bronze Bushes catalogue
Cross References
- 6658K66
- Oilube AM-508-5
- A7B4MP050805
- AM5085
- BP005000800050BS
- BP005000800050BSL
- BP005000800050BSTL


