
Miniature Bearings Australia
DRA-WMR175-2RS-GP-ECO - Datasheet
ECO
Category Information
Bearings - Grooved OD - Gothic GrooveGothic Groove Grooved OD Bearings. Bearings with a Gothic Groove in OD. Round Track Rolling Applications.
- Grooved OD bearings include various grrove shapes such as U-Groove, V-Groove, gothic arch and square grooves.
- These bearings are designed for applications where the outer ring of the bearing interacts with a track or rail to support and guide the movement of the bearing assembly.
- Some uses include wire straightening, textile machinery, material handling, linear systems, and the printing industry. An expanded range may be available on special order. Please enquire.
- Type GP : Single Row of Balls (Radial).
- Type DWRAGP : Double Row of Balls (Angular Contact) - Extended Inner Ring.
- Type DRAGP : Double Row of Balls (Angular Contact) - Flush Inner Ring.
Product Data
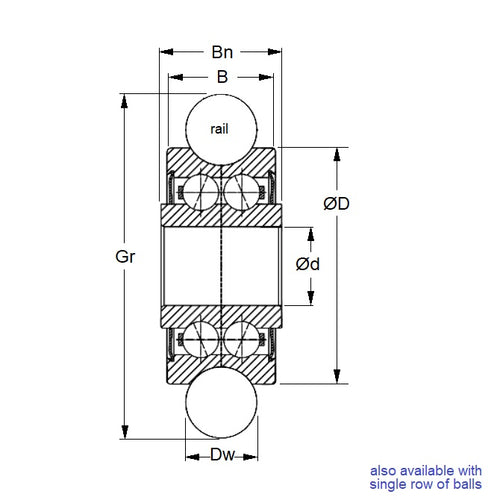
- ID (d)
:
5.000
mm
(Equiv. 0.197 in.) - O.D. (D)
17.000
mm
(Equiv. 0.669 in.) - Width (B)
7.000
mm
(Equiv. 0.276 in.) - Inner Ring Width (Bn) 8.000 mm
- Contact Angle (a) 25 °
- Closure Type 2RS
- Bearing Type DWRAGP
- Rail Dia. / Distance (Dw / Gr) 6.000 / 27.000 mm
- Rows of Balls / Basic Load 2 / 202 kgf
- Material Chrome Steel SAE 52100
Product Compliance and Data
Additional Resources
- Catalogue: Ceramic Bearings Catalogue
- Catalogue: Plastic Bearings Catalogue
- Catalogue: Standard Bearings Catalogue
- General: Bearing Cleanliness
- General: Bearing Clearances
- General: Bearing Flanges & Snap Rings
- General: Bearing Retainers (Cages)
- General: General Loads Information
- General: Lubrication
- General: Prefix & Suffix Guide
- General: Static vs Dynamic Loads
- Materials: 316 Stainless
- Materials: CASSTOP Anti-Corrosion Bearing Material
- Materials: Ceramic vs Ceramic Hybrid
- Materials: Ceramic Bearings in Vibratory Applications
- Materials: Ceramic Hybrid Bearings in Vibratory Applications
- Materials: General Bearing Materials
- Materials: Magnetism & Bearings
- Precision: 316 Stainless & Plastic Bearing Tolerances
- Precision: ABEC Basic Information
- Precision: Precision Bearing Tolerances
- Problem Solving: Bearing Failure
- Problem Solving: Fatigue (L10 Life)
- Problem Solving: Noise


