
Miniature Bearings Australia
GE-00500-01400-ST - Datasheet
MBA
Category Information
Bushings - Spherical - Steel - No Oil HoleNo Oil Hole Steel Spherical Bushings. Steel spherical plain bearings. Also known as ball bushings.
- Self-aligning bearing that has spherical inner and outer rings, allowing it to handle both large radial and axial loads simultaneously.
- Used in applications with slow swinging movements or where misalignment must be compensated for, such as in control linkages, suspension components, and industrial machinery.
- Designed to reduce vibration and noise by allowing articulating motion in a fixed directional load.
- Compensates for axial loads and misalignment.
Product Data
Deleted Item. Available while stocks last.
Please contact us first if you wish to use this item in a new design so we can check whether production can be resumed.
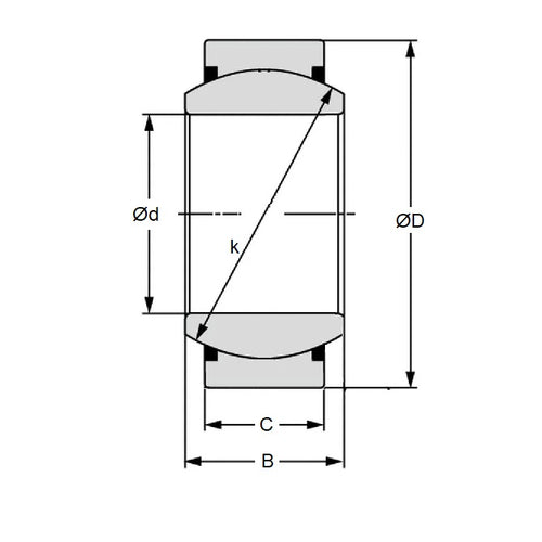
- Bore (d1)
:
5.000
mm
(Equiv. 0.197 in.) - OD (d2)
14.000
mm
(Equiv. 0.551 in.) - Width (B)
6.000
mm
(Equiv. 0.236 in.) - Outer Width (C) 4.00 mm
- Dynamic Load Capacity 400 kgf
- Static Load Capacity 2400 kgf
- Features No Wiper Seals / No Oil Hole
- Material Steel
Product Compliance and Data
Additional Resources
Cross References
- IKO GE5E
- ISO GE5E
- ISO GE-5E
- Nachi GE-5E


