
Miniature Bearings Australia
BF0500-0600-0500-BS7050LT - Datasheet
MBA
Category Information
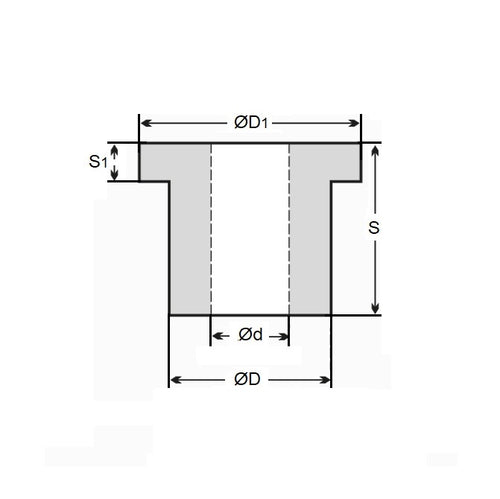
Bushes - Flanged - Bronze - SinteredSintered Bronze Flanged Bushes. Oil impregnated flanged sintered bronze bushes.
- An expanded range may be available on special order. Please enquire.
- Precision items show an allowable Load Speed Rating in Newtons times RPM.
Product Data
- Nominal Inside Diameter (d)
:
50.000
mm
+ 0.009 / + 0.040
(Equiv. 1.969 in.) - Nominal Outside Diameter (D)
60.000
mm
+ 0.040 / + 0.070
(Equiv. 2.362 in.) - Length (s)
50.000
mm
+/- 0.190
(Equiv. 1.969 in.) - Flange OD (D1) 70.00 mm
- Flange Thickness (S1) 5.00 mm
- Comments ISO2795
- Material Bronze SAE 841 Sintered
Product Compliance and Data
Additional Resources
- DU Bush Material Information
- General Bushes Catalogue
- Sintered Bronze Products Catalogue
- Solid Bronze Bushes catalogue
Cross References
- 6659K725
- Oilube FM-5060-50
- Shorlube SMF7050
- FM506050
- BF050006000500BS
- BF050006000500BSLT
- QFM3250
- QFM32-50


