
Miniature Bearings Australia
REF-050-R-SB - Datasheet
MBA
Category Information
Rod Ends - Female - Stainless - 304 with 420 Ball Bronze Lined304 with 420 Ball Bronze Lined Stainless Female Rod Ends. Also known as Heim Joints
- An expanded range may be available on special order. Please enquire.
- Dimensions not shown are available on request.
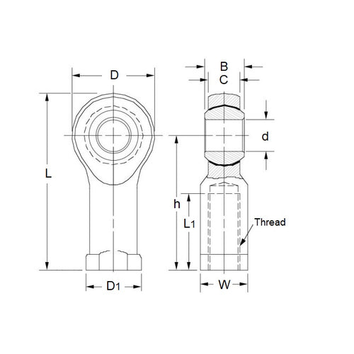
Product Data
- Eye Size (d1)
:
5.000
mm
(Equiv. 0.197 in.) - Overall Length (L)
37.00
mm
(Equiv. 1.457 in.) - Thread Size M5x0.8 Right
- Thread Length (l2) 14.00 mm
- Head Width (W) 6.00 mm
- Eye Width (W1) 8.00 mm
- Head Diameter (D) 18.00 mm
- Centre Height (l1) 28.00 mm
- Grease Nipple No
- Body Width/Flange Width(W2/D3) 9.50 / 11.00 mm
- Material Stainless Steel with Nylon
Product Compliance and Data
Additional Resources


