Small Parts & Bearings
Miniature Bearings Australia

REF-050-R-CB - Datasheet

MBA

Category Information

Rod Ends - Female - Steel - Plain - Bronze Lined

Bronze Lined Plain Steel Female Rod Ends. Imperial and Metric / Carbon Steel. Also known as Heim Joints

  • An expanded range may be available on special order. Please enquire.
  • Dimensions not shown are available on request.

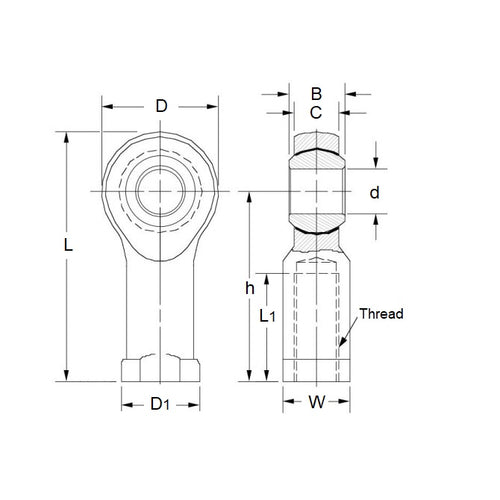
Product Data

  • Eye Size (d1) : 5 mm
    (Equiv. 0.197 in.)
  • Overall Length (L) 35.00 mm
    (Equiv. 1.378 in.)
  • Thread Size (T) M5x0.8 Right
  • Thread Length (l2) 14.00 mm
  • Head Width (W) 6.00 mm
  • Eye Width (W1) 8.00 mm
  • Head Diameter (D) 16.00 mm
  • Centre Height (l1) 27.00 mm
  • Grease Nipple No
  • Body Width/Flange Width(W2/D3) 9.00 / 12.00 mm
  • Material Bronze Lined Steel
Country of Origin: TW

Product Compliance and Data

Additional Resources

    Cross References

    • RINO BEF-05-RH
    • ASAHI JAF5
    • KWK KF5
    • IKO PHS5
    • Nachi PHS-5
    • NTN SFI-5
    • BEF05RH
    • SFI5
    View full details