
Miniature Bearings Australia
TB-50-60SR - Datasheet
MBA
Category Information
Mounts - Bonded - Tee Bush Centre BoltTee Bush Centre Bolt Bonded Mounts. Vibration isolation for mobile and static applications involving plate clamping
- An expanded range may be available on special order. Please enquire.
- Reduces structure borne noise and absorbs shock forces
- Low profile height
Product Data
- Max Static Load : 200 kg
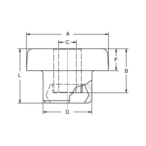
- Bolt Hole Diameter (C)
13.0
mm
(Equiv. 0.512 in.) - Flange Diameter (A)
49.0
mm
(Equiv. 1.929 in.) - Flange Width (F) 13.0 mm
- Shoulder Diameter (D) 34.0 mm
- Overall Length (B) 44.1 mm
- Durometer Hardness 60
- Material Neoprene Rubber and Steel
Product Compliance and Data
Additional Resources
Cross References
- AVI TB50


