
Miniature Bearings Australia
REF-048-L-CT - Datasheet
MBA
Category Information
Rod Ends - Female - Steel - Plain - PTFE Lined - Tight FitTight Fit PTFE Lined Plain Steel Female Rod Ends. Imperial and Metric. Tight fit (Minimal ball clearance) / Carbon Steel. Also known as Heim Joints
- An expanded range may be available on special order. Please enquire.
- Dimensions not shown are available on request.
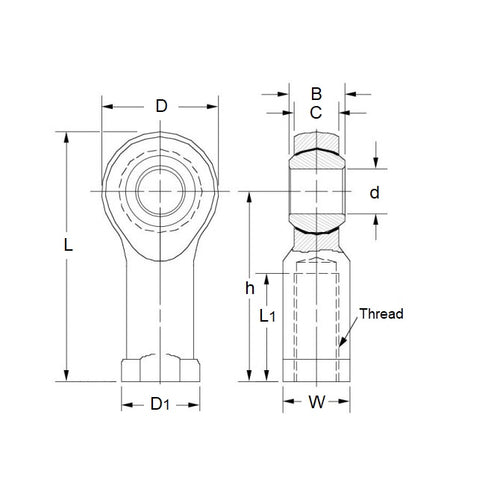
Product Data
- Eye Size (d1)
:
4.826
mm
(Equiv. 0.19 in.) - Overall Length (L)
34.93
mm
(Equiv. 1.375 in.) - Thread Size 10-32 UNF Left
- Thread Length (l2) 14.27 mm
- Head Width (W) 6.35 mm
- Eye Width (W1) 7.92 mm
- Head Diameter (D) 15.88 mm
- Centre Height (l1) 26.97 mm
- Body Width/Flange Width(W2/D3) 7.92 / 10.31 mm
- Material Steel with PTFE Lined Raceway
Product Compliance and Data
Additional Resources
Cross References
- 2458K31-LEFT
- KWK TFB3L
- 2458K31LEFT


