
Miniature Bearings Australia
BP0048-0095-0127-BSLT - Datasheet
MBA
Category Information
Bushes - Unflanged - Bronze - SinteredSintered Bronze Unflanged Bushes. Oil impregnated sintered bronze bushes.
- An expanded range may be available on special order. Please enquire.
- Precision items show an allowable Load Speed Rating in Newtons times RPM.
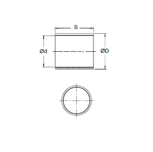
Product Data
Deleted Item. Available while stocks last.
Please contact us first if you wish to use this item in a new design so we can check whether production can be resumed.
- Nominal Inside Diameter (d)
:
4.763
mm
+ 0.000 / + 0.025
(Equiv. 0.188 in.) - Nominal Outside Diameter (D)
9.525
mm
+ 0.038 / + 0.064
(Equiv. 0.375 in.) - Length (s)
12.700
mm
+/- 0.127
(Equiv. 0.5 in.) - Material Bronze SAE 841 Sintered
Product Compliance and Data
Additional Resources
- DU Bush Material Information
- General Bushes Catalogue
- Sintered Bronze Products Catalogue
- Solid Bronze Bushes catalogue
Cross References
- Oilite® AA346
- Oilube® AA346
- BP004800950127BS
- BP004800950127BSUH
- BP004800950127BSLH


