
Miniature Bearings Australia
GHK0476-0476-076 - Datasheet
ExaktKey
Category Information
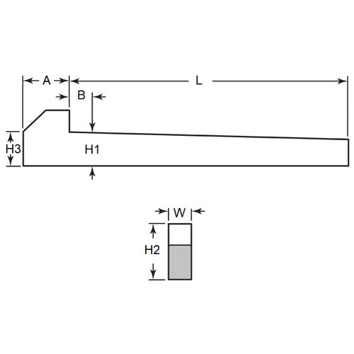
Keys - Gib Head - SteelSteel Gib Head Keys. Tapered 3.000 mm per 300 mm (1:100)
- An expanded range may be available on special order. Please enquire.
Product Data
- Nominal Key Height (H1)
:
4.763
mm
(Equiv. 0.188 in.) - Width (W)
4.763
mm
(Equiv. 0.188 in.) - Length (L)
76.2
mm
(Equiv. 3 in.) - Head Height (h2) Approx. 7.9 mm
- Approx (B) 5.08
- Approx (H3) 5.56
- Taper 1:100
- Standard BS46
- Head Length (Approx) (A) 6.35 mm
- Material Cold Finished Steel
Product Compliance and Data
Additional Resources
Cross References
- 98471A120
- NoCor GIB-0187-3000
- MAK-A-KEY JFOR3X316
- GIB01873000


