
Miniature Bearings Australia
RPO-047-049-C - Datasheet
MBA
Category Information
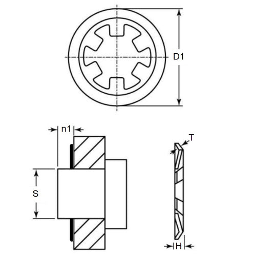
Retaining Rings - Push On - Carbon SteelCarbon Steel Push On Retaining Rings. M1465 / DTX / Seeger ZA and KS.
- An expanded range may be available on special order. Please enquire.
- Thrust load shown is calculated for ideal conditions with mild steel shaft.
- If no thrust load is shown, testing is suggested.
Product Data
- Min shaft size (s1)
:
4.67
mm
(Equiv. 0.184 in.) - Max Shaft Size (s2)
4.88
mm
(Equiv. 0.192 in.) - Outside diameter (D1)
11.68
mm
(Equiv. 0.46 in.) - Min shaft extension (n1) 1.58 mm
- Height (H) Max. 0.79 mm
- Material Thickness (t) 0.25 mm
- Approx. Thrust Load 25 kg
- Material Carbon Steel
Product Compliance and Data
Additional Resources
Cross References
- Waldes 5115-018
- 98430A118
- NoCor TX-018
- Rotor Clip TX-018
- N14650018APP
- N1465-0018
- N1465-0018APP
- N1465018
- N1465-018
- 5115018
- TX018


