
Miniature Bearings Australia
BF0030-0060-0040-BS0915LT - Datasheet
MBA
Category Information
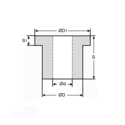
Bushes - Flanged - Bronze - SinteredSintered Bronze Flanged Bushes. Oil impregnated flanged sintered bronze bushes.
- An expanded range may be available on special order. Please enquire.
- Precision items show an allowable Load Speed Rating in Newtons times RPM.
Product Data
- Nominal Inside Diameter (d)
:
3.000
mm
+ 0.000 / + 0.020
(Equiv. 0.118 in.) - Nominal Outside Diameter (D)
6.000
mm
+ 0.019 / + 0.040
(Equiv. 0.236 in.) - Length (s)
4.000
mm
+/- 0.127
(Equiv. 0.157 in.) - Flange OD (D1) 9.00 mm
- Flange Thickness (S1) 1.50 mm
- Material Bronze SAE 841 Sintered
Product Compliance and Data
Additional Resources
- DU Bush Material Information
- General Bushes Catalogue
- Sintered Bronze Products Catalogue
- Solid Bronze Bushes catalogue
Cross References
- 6659K64
- Oilube FM-306-4
- A7B4MF030604
- FM3064
- BF003000600040BS
- BF003000600040BSTL


