
Miniature Bearings Australia
RRT-150 - Datasheet
MBA
Category Information
Retaining Rings - Internal - Spiral Rings - Medium-Heavy Duty - Carbon SteelCarbon Steel Medium-Heavy Duty Spiral Rings Internal Retaining Rings. Includes Series AMI / WHT / Spirolox RRT - Spring Steel
- An expanded range may be available on special order. Please enquire.
- Originally designed to fit NAS50-51 grooves, this series is a popular OEM specification.
- This two/three turn design is easier to install than the heavy duty RRN option.
- Equivalent to Associated Spring: AMI, Smalley: WHT, Spirolox and Ramsey: RRT
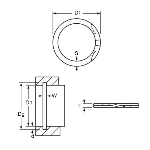
Product Data
- Housing Bore (B)
:
38.10
mm
(Equiv. 1.5 in.) - Clip Thickness (T)
1.27
mm
+/- 0.05
(Equiv. 0.05 in.) - Groove Dia. (Dg)
40.13
mm
(Equiv. 1.58 in.) - Approx. Loose Circlip OD (Dr) 40.46 mm + 0.38 / - 0.00
- Radial Wall (S) Approx. 2.74 mm +/- 0.10
- Groove Width (W) 1.47 mm +/- 0.10
- Approx. Loose Clip ID 34.98 +/- 0.05
- Groove Depth (d) 1.02
- Material Carbon Spring Steel
Product Compliance and Data
Additional Resources
Cross References
- Associated Spring® AMI-150
- Huyett® RRT-150
- Smalley® WHT-150
- WHT150
- AMI150


