
Miniature Bearings Australia
BBFP-381-O - Datasheet
MBA
Category Information
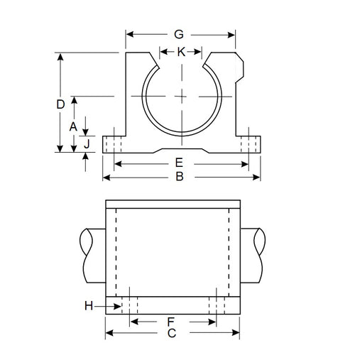
Linear - Housings Pillow Block Frelon - Precision - OpenOpen Precision Housings Pillow Block Frelon Linear. Single and double length
- Bearing is Frelon Gold -tm- encased in a flanged housing made from 6061-T6 aluminium. Double length has two bearings mounted internally.
- For rotating and linear motion.
Product Data
- Bore Diameter
:
38.100
mm
(Equiv. 1.5 in.) - Centre Bore Height (A)
44.450
mm
(Equiv. 1.75 in.) - Base Width (B)
120.650
mm
(Equiv. 4.75 in.) - Overall Length (C) 101.600 mm
- Centre Bolt Holes Width (E) 3147.32 mm
- Max Load Rating 3147.32 Kg
Product Compliance and Data
Additional Resources
Cross References
- 6374K328
- Reid Tool® PBC-85
- PBC85
- S61PPZ150F40000
- S61PPZ-150F40000


