
Miniature Bearings Australia
OS03700-05500-080-N - Datasheet
MBA
Category Information
Seals - Oil - Rubber - NitrileNitrile Rubber Oil Seals. DIN 3760 - General purpose grease and oil sealing. Note - metal cased and rubber cased seals may be interchanged at our discretion. If one or the other is specifically required please let us know when ordering.
- This category will be discontinued when the remaining items are sold.
- All items are priced to quit.
- Backorders or orders for previously listed items in the category will only be available for very large orders.
- Operating Temp. Range: -30oC to +90oC.
- The rubber elastomer outer covering tolerates thermal expansion as well as roughness in the housing bore.
- Excellent resistance to mineral oil based fluids, hydrocarbon fuels, greases and water.
- Not suitable for aromatic hydrocarbons, chlorinated hydrocarbons, brake fluid and some fire resistant hydraulic fluids.
Product Data
Deleted Item. Available while stocks last.
Please contact us first if you wish to use this item in a new design so we can check whether production can be resumed.
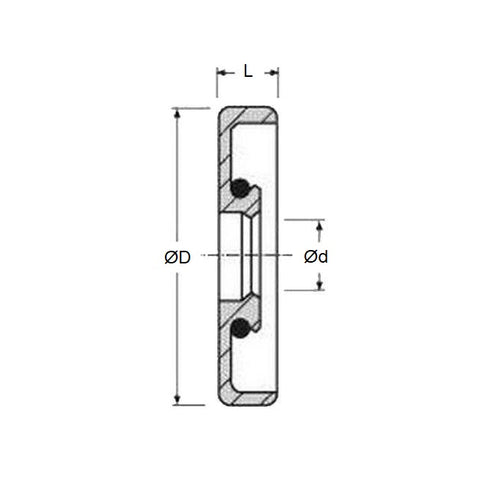
- Suitable Shaft Diameter
:
37.00
mm
(Equiv. 1.457 in.) - Outside Diameter
55.00
mm
(Equiv. 2.165 in.) - Width
8.00
mm
(Equiv. 0.315 in.) - Material Nitrile (NBR, BUNA-N)
Product Compliance and Data
Additional Resources


