
Miniature Bearings Australia
GM-S038-D24-079-N - Datasheet
MBA
Category Information
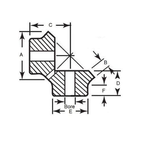
Gears - Mitre - 24DP Plastic24DP Plastic Mitre Gears. 1:1 Ratio. 20 Degree Pressure Angle - Nylon.
- An expanded range may be available on special order. Please enquire.
- Mitre gears are used with a matching gear of the same pitch and number of teeth.
- This provides a 1 to 1 ratio on a 90 Degree angle.
- See Gears - Bevel for other ratios.
Product Data
Deleted Item. Available while stocks last.
Please contact us first if you wish to use this item in a new design so we can check whether production can be resumed.
- Number of Teeth : 36
- Pitch Diameter (pd)
38.100
mm
(Equiv. 1.5 in.) - Bore (d)
7.938
mm
(Equiv. 0.313 in.) - Overall Length (L) 15.479 mm
- Hub Diameter (hd) 17.463 / No Set Screw mm
- Set of 2
- Hub Projection (F) 7.94 mm
- Mounting Distance (C) 30.162 mm
- Face Width (B) 6.350 mm
- Material Nylon - Commercial
Product Compliance and Data
Additional Resources
Cross References
- A1M4-Y24036
- A1M4Y24036
- A 1M 4-Y24036


