
Miniature Bearings Australia
RRN-143 - Datasheet
MBA
Category Information
Retaining Rings - Internal - Spiral Rings - Heavy Duty - Carbon SteelCarbon Steel Heavy Duty Spiral Rings Internal Retaining Rings. Includes AHI / WHM / AS3215 / RRN / MIL-R-27426B2 - Spring Steel
- An expanded range may be available on special order. Please enquire.
- Heavy duty design for use with NAS669-670 deep grooves in applications like double row and tapered roller bearings.
- Requires no tools for removal.
- Equivalent to Associated Spring: AHI, Smalley: WHM, Spirolox and Ramsey: RRN, Aerospace AS3215, MIL-R-27426B2
Product Data
Deleted Item. Available while stocks last.
Please contact us first if you wish to use this item in a new design so we can check whether production can be resumed.
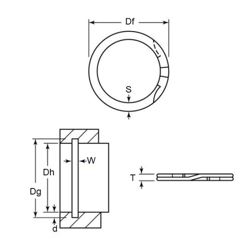
- Housing Bore (B)
:
36.55
mm
(Equiv. 1.439 in.) - Clip Thickness (T)
1.27
mm
+/- 0.05
(Equiv. 0.05 in.) - Groove Dia. (Dg)
38.81
mm
(Equiv. 1.528 in.) - Approx. Loose Circlip OD (Dr) 39.00 mm + 0.33 / - 0.00
- Radial Wall (S) Approx. 3.00 mm +/- 0.10
- Groove Width (W) 1.47 mm +/- 0.10
- Approx. Loose Clip ID 33 +/- 0.05
- Groove Depth (d) 1.14
- Material Carbon Spring Steel
Product Compliance and Data
Additional Resources
Cross References
- 91985A201
- Associated Spring AHI-143
- Smalley RRN-143
- Spirolox RRN-143
- Smalley WHM-143
- RRN143
- WHM143
- AHI143


