
Miniature Bearings Australia
SETB - Datasheet
MBA
Category Information
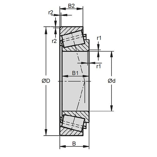
Bearings - Tapered Roller Set - Single Row - InchInch Single Row Tapered Roller Set Bearings. Common automotive sets include cup and cone
- Tapered roller bearings provide for high thrust and axial loads, and are commonly used in automotive applications such as wheels, differentials and gearboxes.
- Matched sets include the cup and the cone.
- An expanded range may be available on special order. Please enquire.
Product Data
- Inside Diameter
:
31.750
mm
(Equiv. 1.25 in.) - Outside Diameter
59.131
mm
(Equiv. 2.328 in.) - Assembled Width
15.875
mm
(Equiv. 0.625 in.) - Description SETB LM67048/10 (Also Set 6)
- Material Chrome Steel
Product Compliance and Data
Additional Resources
- Catalogue: Ceramic Bearings Catalogue
- Catalogue: Plastic Bearings Catalogue
- Catalogue: Standard Bearings Catalogue
- General: Bearing Cleanliness
- General: Bearing Clearances
- General: Bearing Flanges & Snap Rings
- General: Bearing Retainers (Cages)
- General: General Loads Information
- General: Lubrication
- General: Prefix & Suffix Guide
- General: Static vs Dynamic Loads
- Materials: 316 Stainless
- Materials: CASSTOP Anti-Corrosion Bearing Material
- Materials: Ceramic vs Ceramic Hybrid
- Materials: Ceramic Bearings in Vibratory Applications
- Materials: Ceramic Hybrid Bearings in Vibratory Applications
- Materials: General Bearing Materials
- Materials: Magnetism & Bearings
- Precision: 316 Stainless & Plastic Bearing Tolerances
- Precision: ABEC Basic Information
- Precision: Precision Bearing Tolerances
- Problem Solving: Bearing Failure
- Problem Solving: Fatigue (L10 Life)
- Problem Solving: Noise
Cross References
- Nachi LM67048-10
- SSKF-6S
- SSKF6S
- LM6704810
- PRB-226
- PRB226


