Small Parts & Bearings
Miniature Bearings Australia

REF-300-R-CB - Datasheet

MBA

Category Information

Rod Ends - Female - Steel - Plain - Bronze Lined

Bronze Lined Plain Steel Female Rod Ends. Imperial and Metric / Carbon Steel. Also known as Heim Joints

  • An expanded range may be available on special order. Please enquire.
  • Dimensions not shown are available on request.

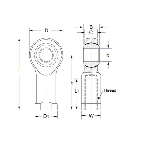
Product Data

  • Eye Size (d1) : 30 mm
    (Equiv. 1.181 in.)
  • Overall Length (L) 143.50 mm
    (Equiv. 5.65 in.)
  • Thread Size (T) M30x2 Right
  • Thread Length (l2) 56.00 mm
  • Head Width (W) 25.00 mm
  • Eye Width (W1) 37.00 mm
  • Head Diameter (D) 67.00 mm
  • Centre Height (l1) 110.00 mm
  • Grease Nipple Yes
  • Body Width/Flange Width(W2/D3) 41.00 / 50.00 mm
  • Material Bronze Lined Steel
Country of Origin: JP

Product Compliance and Data

Additional Resources

    Cross References

    • RINO® BEF-30-RH
    • ASAHI® JAF30
    • KWK KF30
    • IKO PHS30
    • Nachi® PHS-30
    • NTN® SFI-30
    • BEF30RH
    • SFI30
    View full details