
Miniature Bearings Australia
BP0032-0095-0064-BSTT - Datasheet
MBA
Category Information
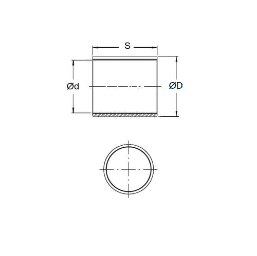
Bushes - Unflanged - Bronze - SinteredSintered Bronze Unflanged Bushes. Oil impregnated sintered bronze bushes.
- An expanded range may be available on special order. Please enquire.
- Precision items show an allowable Load Speed Rating in Newtons times RPM.
Product Data
- Nominal Inside Diameter (d)
:
3.175
mm
+ 0.025 / + 0.051
(Equiv. 0.125 in.) - Nominal Outside Diameter (D)
9.525
mm
+ 0.025 / + 0.051
(Equiv. 0.375 in.) - Length (s)
6.350
mm
+/- 0.127
(Equiv. 0.25 in.) - Material Bronze SAE 841 Sintered
Product Compliance and Data
Additional Resources
- DU Bush Material Information
- General Bushes Catalogue
- Sintered Bronze Products Catalogue
- Solid Bronze Bushes catalogue
Cross References
- Oilite AA337-2
- Oilube AA337-2
- BP003200950064BS
- BP003200950064BST
- AA3372


