
Miniature Bearings Australia
BP0032-0048-0032-BSTH - Datasheet
MBA
Category Information
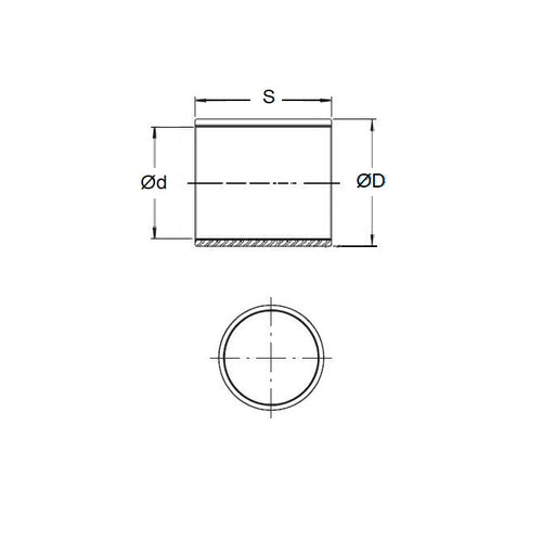
Bushes - Unflanged - Bronze - SinteredSintered Bronze Unflanged Bushes. Oil impregnated sintered bronze bushes.
- An expanded range may be available on special order. Please enquire.
- Precision items show an allowable Load Speed Rating in Newtons times RPM.
Product Data
- Nominal Inside Diameter (d)
:
3.175
mm
+ 0.038 / + 0.064
(Equiv. 0.125 in.) - Nominal Outside Diameter (D)
4.763
mm
+ 0.051 / + 0.076
(Equiv. 0.188 in.) - Length (s)
3.175
mm
+/- 0.127
(Equiv. 0.125 in.) - Material Bronze SAE 841 Sintered
Product Compliance and Data
Additional Resources
- DU Bush Material Information
- General Bushes Catalogue
- Sintered Bronze Products Catalogue
- Solid Bronze Bushes catalogue
Cross References
- 6391K611
- Small Parts SBB-2-2
- BP003200480032BS
- BP003200480032BSH
- BP003200480032BSHH
- A7B4P092
- A7B4-P092


