
Miniature Bearings Australia
BP0250-0350-0250-BSLH - Datasheet
MBA
Category Information
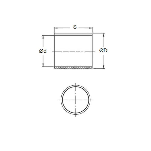
Bushes - Unflanged - Bronze - SinteredSintered Bronze Unflanged Bushes. Oil impregnated sintered bronze bushes.
- An expanded range may be available on special order. Please enquire.
- Precision items show an allowable Load Speed Rating in Newtons times RPM.
Product Data
- Nominal Inside Diameter (d)
:
25.000
mm
+ 0.005 / + 0.030
(Equiv. 0.984 in.) - Nominal Outside Diameter (D)
35.000
mm
+ 0.046 / + 0.071
(Equiv. 1.378 in.) - Length (s)
25.000
mm
+/- 0.127
(Equiv. 0.984 in.) - Material Bronze SAE 841 Sintered
Product Compliance and Data
Additional Resources
- DU Bush Material Information
- General Bushes Catalogue
- Sintered Bronze Products Catalogue
- Solid Bronze Bushes catalogue
Cross References
- 6658K754
- Oilube AAM-2535-25
- Oilite AAM2535-25
- Oilube AAM2535-25
- BP025003500250BSTH
- AAM253525
- QM36-25
- QM3625


