
Miniature Bearings Australia
BTU0025-013-TS-BA - Datasheet
MBA
Category Information
Ball Transfer Units - Screw Stem - Brass and AluminiumBrass and Aluminium Screw Stem Ball Transfer Units. This is the main category in this series
- Single ball bearing units for conveyor systems
- Applications include measuring equipment and light weight coil handlers. Guides for small linear motion (eg. photocopier slides). Transfer of material in clean rooms.
- Max Load is applicable when used as a transfer, not as a castor
Product Data
Deleted Item. Available while stocks last.
Please contact us first if you wish to use this item in a new design so we can check whether production can be resumed.
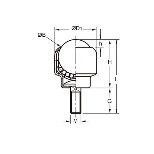
- Max Load : 25 kg
- Height from Base (B)
12.5
mm
(Equiv. 0.492 in.) - Body Diameter (D)
15
mm
(Equiv. 0.591 in.) - Overall Height (L) 20.5 mm
- Ball Diameter 7.9 mm
- Body Height (Bh) 12.5 mm
- Thread M4 (4x0.7mm)
- Stud Length (Sl) 8.0 mm
- 2 Type
- Material Stainless Steel AISI 440C and Aluminium
Product Compliance and Data
Additional Resources
Cross References
- ISB IS-08SNM
- IS08SNM
- BTIS-08SNM
- BTIS08SNM


