
Miniature Bearings Australia
BF0254-0349-0445-BS4448UH - Datasheet
MBA
Category Information
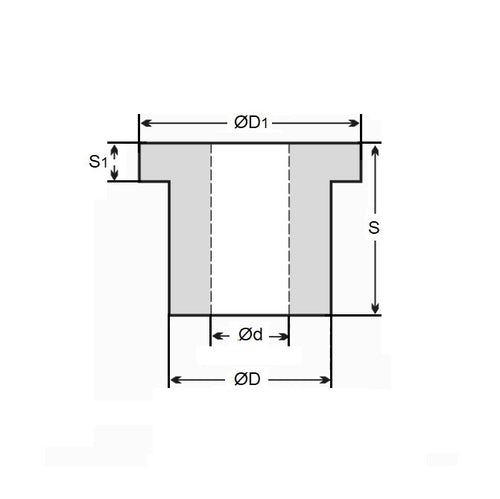
Bushes - Flanged - Bronze - SinteredSintered Bronze Flanged Bushes. Oil impregnated flanged sintered bronze bushes.
- An expanded range may be available on special order. Please enquire.
- Precision items show an allowable Load Speed Rating in Newtons times RPM.
Product Data
- Nominal Inside Diameter (d)
:
25.400
mm
+ 0.00 / - 0.025
(Equiv. 1 in.) - Nominal Outside Diameter (D)
34.925
mm
+ 0.063 / + 0.089
(Equiv. 1.375 in.) - Length (s)
44.450
mm
+/- 0.190
(Equiv. 1.75 in.) - Flange OD (D1) 44.45 mm
- Flange Thickness (S1) 4.76 mm
- Material Bronze SAE 841 Sintered
Product Compliance and Data
Additional Resources
- DU Bush Material Information
- General Bushes Catalogue
- Sintered Bronze Products Catalogue
- Solid Bronze Bushes catalogue
Cross References
- Oilite FF1304
- Oilite FF-1304
- Oilube FF-1304
- BF025403490445BSF4448UU
- BF025403490445BSF4448-UU


