Small Parts & Bearings
Miniature Bearings Australia

BP0254-0318-0254-BC9 - Datasheet

MBA

Category Information

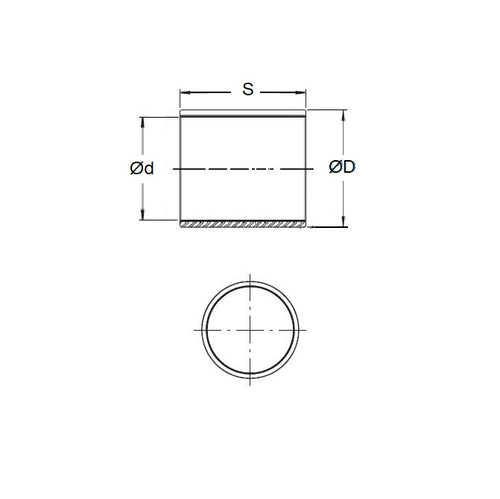
Bushes - Unflanged - Bronze - Solid

Solid Bronze Unflanged Bushes. Solid precision leaded gunmetal bronze bushes. C93200 as indicated in the listings.

  • An expanded range may be available on special order. Please enquire.
  • Composition (Approx.) : Copper 81%, Tin 7%, Zinc 4%, Lead 6%, Nickel 2%.
  • Hardness : 70-90 BHN.

Product Data

  • Nominal Inside Diameter (d) : 25.400 mm +/- 0.0254
    (Equiv. 1 in.)
  • Nominal Outside Diameter (D) 31.750 mm + 0.051 / + 0.0762
    (Equiv. 1.25 in.)
  • Length (s) 25.400 mm +/- 0.127
    (Equiv. 1 in.)
  • Material Bronze C93200
Country of Origin: US

Product Compliance and Data

Additional Resources

Cross References

  • 6381K212
  • Bunting BB-1620-16
  • Century CB-1620-08
  • Flocast TB811
  • BNT-266
  • BNT266
  • BB162016
  • CB162008
View full details