
Miniature Bearings Australia
IDC-82RS - Datasheet
MBA
Category Information
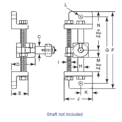
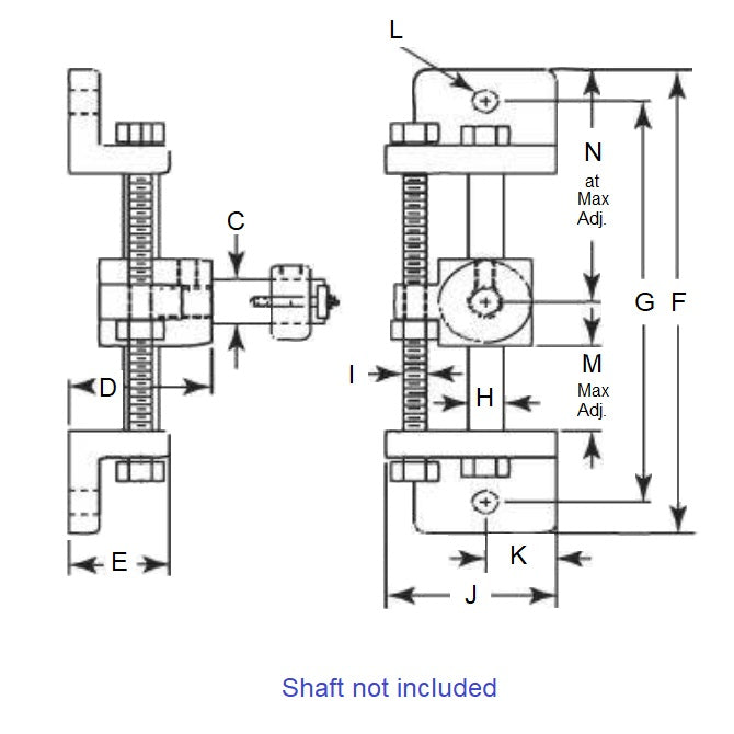
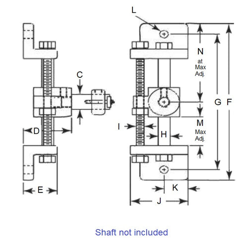
Tensioner - Adjustable ScrewAdjustable Screw Tensioner. Use with idler shafts and idler pulleys. Uses a screw adjustment for positive precise tensioning.
- Idler shaft and pulleys not included with tensioner
Product Data
- Bore (C)
:
25.400
mm
(Equiv. 1 in.) - Overall Height (D)
63.500
mm
(Equiv. 2.5 in.) - Housing Height (E)
38.100
mm
(Equiv. 1.5 in.) - Overall Length (F) 238.125 mm
- Bolt Centres (G) 212.725 mm
- Shaft Diameter (H) 19.050 mm
- I 12.700 mm
- Housing Width (J) 60.325 mm
- Housing Bolt Centre (K) 25.400 mm
- Bolt Size (L) 3/4-16 x 9.53
- M / N 101.600 / 55.550 mm
- Approx Weight 1.95 Kg
Product Compliance and Data
Additional Resources


