
Miniature Bearings Australia
ED5RS - Datasheet
ACE
Category Information
Shock Absorbers - Low Profile Hydraulic - AdjustableAdjustable Low Profile Hydraulic Shock Absorbers. This is the main category in this series
Product Data
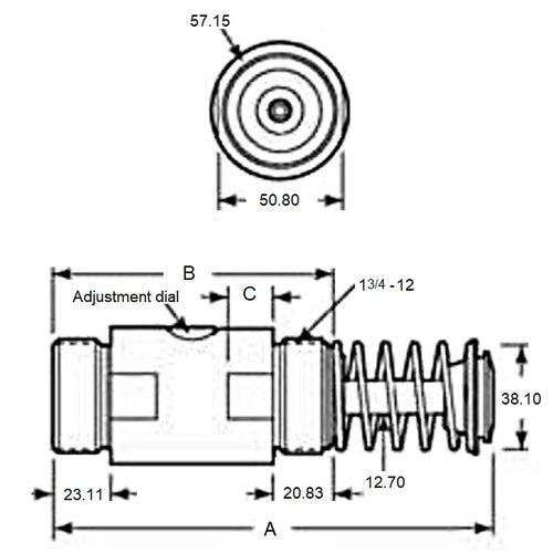
- Stroke
:
25.4
mm
(Equiv. 1 in.) - Length (B)
92.20
mm
(Equiv. 3.63 in.) - Total Length (A)
144.53
mm
(Equiv. 5.69 in.) - (C) 11 mm
- Max. Shock Force 1361 KG
- Max. Propelling Force 295 KG
- Nom. Coil Spring Force Exten 5 KG
- Nom. Coil Spring Force Compres 7 KG
- More Information For more information please contact us.
Product Compliance and Data
Additional Resources
Cross References
- Reid Tool® ED-5
- ED5


