
Miniature Bearings Australia
SP1-064-028B-024-080-AWIN - Datasheet
MBA
Category Information
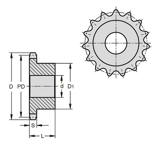
Sprockets - Roller Chain - Simplex - 25-1A - With Boss - PlasticPlastic With Boss 25-1A Simplex Roller Chain Sprockets. Nylon - Acetal - With and without bore inserts.
- This category will be discontinued when the remaining items are sold.
- All items are priced to quit.
- Backorders or orders for previously listed items in the category may still be possible - please enquire.
- Match with series 6.35mm plastic or steel chain (25-1 ASA)
- American Standard 25-1 - 1/4 inch
Product Data
Deleted Item. Available while stocks last.
Please contact us first if you wish to use this item in a new design so we can check whether production can be resumed.
- Number of Teeth : 24
- PCD
48.49
mm
(Equiv. 1.909 in.) - Hub Diameter (D1)
15.00
mm
(Equiv. 0.591 in.) - Overall Width (E) 9.50 mm
- Standard Number 25-1A
- Type / Rows Type 8
- Bore (d) 8.000
- Locking Method Set Screw
- Material Acetal
Product Compliance and Data
Additional Resources
Cross References
- A6Z7M252408
- A 6Z 7M252408


