Small Parts & Bearings
Miniature Bearings Australia

BF0220-0250-0150-DU - Datasheet

MBA

Category Information

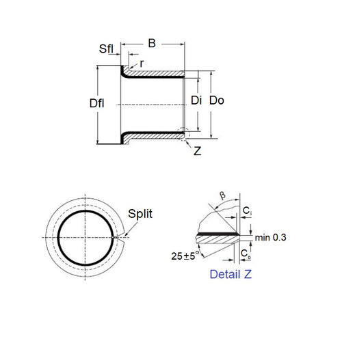
Bushes - Flanged - Split - Steel - DU

DU Steel Split Flanged Bushes. Composite bearing material conisting of 3 bonded layers; Steel backing bonded with porous sintered bronze interlayer which is impregnated and overlaid with polytetrafluroethylene (PTFE). Lead free.

  • An expanded range may be available on special order. Please enquire.
  • Operating Temperature -200o to 280o Celsuis. Maximum Load 250N/mm2.
  • Requires No lubrication, provides maintenance free operation. Exhibits low wear rate, Seizure resistant.
  • High Static and Dynamic Load capacity, Good frictional properties with negligible stick-slip. Resists Solvents, Compact and light.
  • No water Absorption, Electrically conductive and shows no electrostatic effects, Good embedability and is tolerant of dusty environments.
  • Good embedability and is tolerant of dusty environments. Speed Limit in oil 5 metres surface speed per second.

Product Data

Deleted Item. Available while stocks last.

Please contact us first if you wish to use this item in a new design so we can check whether production can be resumed.

  • Nominal Inside Diameter (d) : 22.000 mm - 0.000 / - 0.041
    (Equiv. 0.866 in.)
  • Nominal Outside Diameter (D) 25.000 mm + 0.075 / - 0.000
    (Equiv. 0.984 in.)
  • Length (s) 15.000 mm + 0.25 / - 0.25
    (Equiv. 0.591 in.)
  • Flange OD (D1) 32.00 mm
  • Flange Thickness (S1) 1.50 mm
  • Material Steel DU with PTFE
Country of Origin: CN

Product Compliance and Data

Additional Resources

Cross References

  • Glacier FMB2215DU
View full details