
Miniature Bearings Australia
RRT-087 - Datasheet
MBA
Category Information
Retaining Rings - Internal - Spiral Rings - Medium-Heavy Duty - Carbon SteelCarbon Steel Medium-Heavy Duty Spiral Rings Internal Retaining Rings. Includes Series AMI / WHT / Spirolox RRT - Spring Steel
- An expanded range may be available on special order. Please enquire.
- Originally designed to fit NAS50-51 grooves, this series is a popular OEM specification.
- This two/three turn design is easier to install than the heavy duty RRN option.
- Equivalent to Associated Spring: AMI, Smalley: WHT, Spirolox and Ramsey: RRT
Product Data
Deleted Item. Available while stocks last.
Please contact us first if you wish to use this item in a new design so we can check whether production can be resumed.
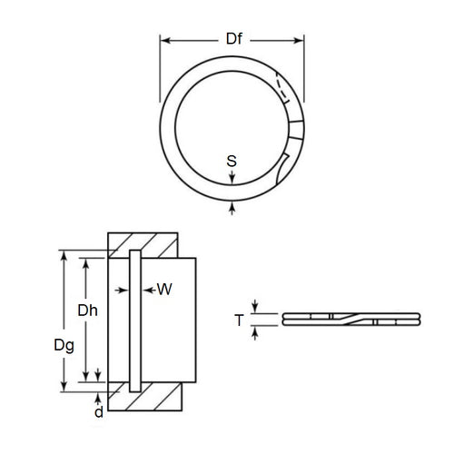
- Housing Bore (B)
:
22.23
mm
(Equiv. 0.875 in.) - Clip Thickness (T)
1.07
mm
+/- 0.05
(Equiv. 0.042 in.) - Groove Dia. (Dg)
23.42
mm
(Equiv. 0.922 in.) - Approx. Loose Circlip OD (Dr) 23.61 mm + 0.33 / - 0.00
- Radial Wall (S) Approx. 1.65 mm +/- 0.10
- Groove Width (W) 1.21 mm +/- 0.08
- Approx. Loose Clip ID 20.31 +/- 0.04
- Groove Depth (d) 0.61
- Material Carbon Spring Steel
Product Compliance and Data
Additional Resources
Cross References
- Associated Spring® AMI-087
- Huyett® RRT-087
- Smalley® WHT-087
- WHT087
- AMI087


