
Miniature Bearings Australia
BF0200-0230-0165-DU - Datasheet
MBA
Category Information
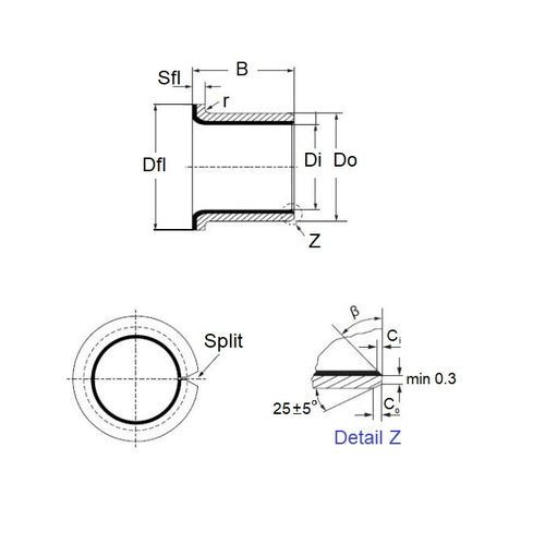
Bushes - Flanged - Split - Steel - DUDU Steel Split Flanged Bushes. Composite bearing material conisting of 3 bonded layers; Steel backing bonded with porous sintered bronze interlayer which is impregnated and overlaid with polytetrafluroethylene (PTFE). Lead free.
- An expanded range may be available on special order. Please enquire.
- Operating Temperature -200o to 280o Celsuis. Maximum Load 250N/mm2.
- Requires No lubrication, provides maintenance free operation. Exhibits low wear rate, Seizure resistant.
- High Static and Dynamic Load capacity, Good frictional properties with negligible stick-slip. Resists Solvents, Compact and light.
- No water Absorption, Electrically conductive and shows no electrostatic effects, Good embedability and is tolerant of dusty environments.
- Good embedability and is tolerant of dusty environments. Speed Limit in oil 5 metres surface speed per second.
Product Data
- Nominal Inside Diameter (d)
:
20.000
mm
- 0.000 / - 0.041
(Equiv. 0.787 in.) - Nominal Outside Diameter (D)
23.000
mm
+ 0.075 / - 0.000
(Equiv. 0.906 in.) - Length (s)
16.500
mm
+ 0.25 / - 0.25
(Equiv. 0.65 in.) - Flange OD (D1) 30.00 mm
- Flange Thickness (S1) 1.50 mm
- Material Steel DU with PTFE
Product Compliance and Data
Additional Resources
- DU Bush Material Information
- General Bushes Catalogue
- Sintered Bronze Products Catalogue
- Solid Bronze Bushes catalogue
Cross References
- Glacier FMB2017DU
- DU-2017-BB
- DU2017BB


