
Miniature Bearings Australia
SP1-127-079B-020-159-C - Datasheet
MBA
Category Information
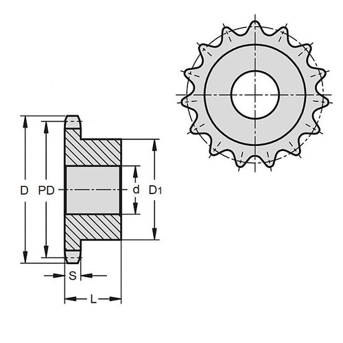
Sprockets - Roller Chain - Simplex - 40-1A - With BossWith Boss 40-1A Simplex Roller Chain Sprockets. Match with 12.70x7.85mm simplex chain (40-1 ASA)
- This category will be discontinued when the remaining items are sold.
- All items are priced to quit.
- Backorders or orders for previously listed items in the category may still be possible - please enquire.
- Pilot bored sprockets come with a very small bore that will need to be machined by the customer to suit their shaft size.
- American Standard 40-1 - 1/2 inch. With and without hubs.
Product Data
Deleted Item. Available while stocks last.
Please contact us first if you wish to use this item in a new design so we can check whether production can be resumed.
- Number of Teeth : 20
- PCD
80.81
mm
(Equiv. 3.181 in.) - Hub Diameter (D1)
66.68
mm
(Equiv. 2.625 in.) - Overall Width (E) 25.40 mm
- Standard Number 40-1A
- Type / Rows Single Row
- Bore (d) 15.875
- Locking Method No Locking
- Material Carbon Steel
Product Compliance and Data
Additional Resources
Cross References
- Gates 40B20
- 6793K152


