
Miniature Bearings Australia
SP1-064-028B-020-064-C - Datasheet
MBA
Category Information
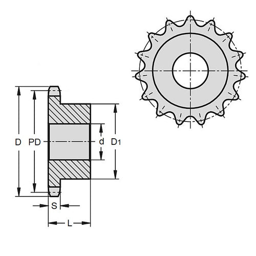
Sprockets - Roller Chain - Simplex - 25-1A - With Boss - Plain BorePlain Bore With Boss 25-1A Simplex Roller Chain Sprockets. 25-1 ASA 1/4 Inch. With unfinished bore.
- This category will be discontinued when the remaining items are sold.
- All items are priced to quit.
- Backorders or orders for previously listed items in the category may still be possible - please enquire.
- Match with 6.35mm simplex chain
- American Standard 25-1 - 1/4 inch
Product Data
Deleted Item. Available while stocks last.
Please contact us first if you wish to use this item in a new design so we can check whether production can be resumed.
- Number of Teeth : 20
- PCD
40.41
mm
(Equiv. 1.591 in.) - Hub Diameter (D1)
32.54
mm
(Equiv. 1.281 in.) - Overall Width (E) 15.88 mm
- Standard Number 25-1A
- Type / Rows Type 3
- Approx Pilot Bore (d) 6.350
- Locking Method No Locking
- Material Carbon Steel
Product Compliance and Data
Additional Resources
Cross References
- Gates 25B20
- 6793K13
- Small Parts RCSS-2420
- RCSS2420
- A6C725B20
- A6C7-25B20


