Small Parts & Bearings
Miniature Bearings Australia

REF-200-L-CB-F - Datasheet

MBA

Category Information

Rod Ends - Female - Steel - Plain - Bronze Lined

Bronze Lined Plain Steel Female Rod Ends. Imperial and Metric / Carbon Steel. Also known as Heim Joints

  • An expanded range may be available on special order. Please enquire.
  • Dimensions not shown are available on request.

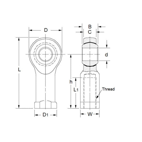
Product Data

  • Eye Size (d1) : 20 mm
    (Equiv. 0.787 in.)
  • Overall Length (L) 100.00 mm
    (Equiv. 3.937 in.)
  • Thread Size (T) M20x1.5 Left
  • Thread Length (l2) 40.00 mm
  • Head Width (W) 18.00 mm
  • Eye Width (W1) 25.00 mm
  • Head Diameter (D) 46.00 mm
  • Centre Height (l1) 77.00 mm
  • Grease Nipple Yes
  • Body Width/Flange Width(W2/D3) 32.00 / 37.00 mm
  • Material Bronze Lined Steel
Country of Origin: JP

Product Compliance and Data

Additional Resources

    Cross References

    • ASAHI® JAF20L
    • KWK KF20L
    • IKO PHS20L
    • Nachi® PHS-20L
    • NTN® SFI-20L
    • SFI20L
    View full details