
Miniature Bearings Australia
CC-027-032-C - Datasheet
MBA
Category Information
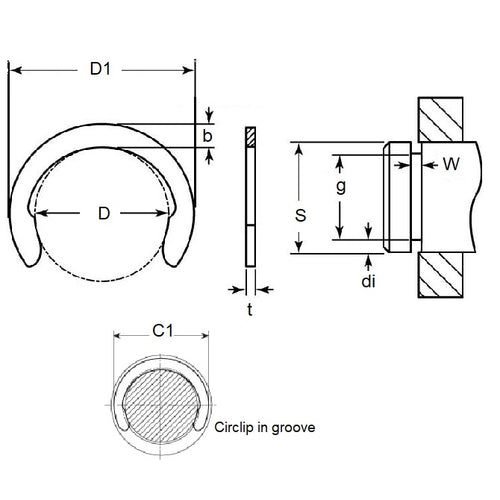
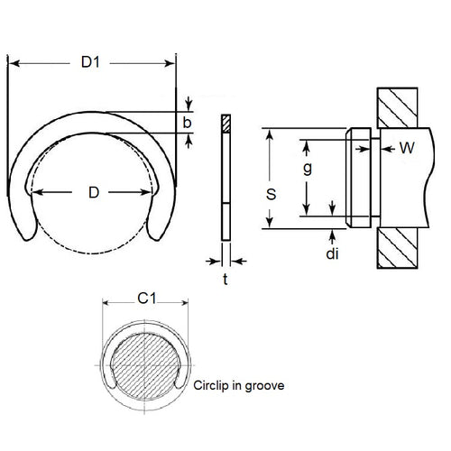
Retaining Rings - CrescentCrescent Retaining Rings. Variation of an E-Clip with an open face. Also known as a C-Clip.
- Narrow section height provides good clearance capabilities.
- Absence of teeth and deep set mean less thrust load ratings than e-clips.
- For best results install using the recommended applicator tool.
Product Data
- Groove Diameter (G)
:
2.69
mm
(Equiv. 0.106 in.) - Shaft Diameter (S)
3.18
mm
(Equiv. 0.125 in.) - Thickness (t)
0.38
mm
(Equiv. 0.015 in.) - Clip OD in groove (C1) 4.57 mm
- Clip OD Loose (D1) 4.19 mm
- Groove Width (W) 0.46
- Material Carbon Spring Steel Self Finish
Product Compliance and Data
Additional Resources
Cross References
- Military 16632-012
- Military 16632-012/B
- Military 16632-012-B
- Waldes 5103-012
- Waldes 5103-012/B
- Waldes 5103-012-B
- Ellison 9103-012
- Ellison 9103-012/B
- Ellison 9103-012-B
- NoCor C-012
- Rotor Clip C-012
- NoCor C-012/B
- Rotor Clip C-012/B
- NoCor C-012-B
- Rotor Clip C-012-B
- C012
- C012/B
- C012B
- 5103012/B
- 5103012B
- 16632012/B
- 16632012B
- N1800012B
- N1800-012
- N1800012/B
- N1800-012/B
- N18000012APP
- N1800-012-B
- N1800-0012APP
- 9103012
- 9103012/B
- 9103012B


