
Miniature Bearings Australia
RT-050-0333-060-100-HH - Datasheet
MBA
Category Information
Ratchets and Pawls - Ratchets - With HubWith Hub Ratchets Ratchets and Pawls. Match with pawls listed on this site.
- An expanded range may be available on special order. Please enquire.
Product Data
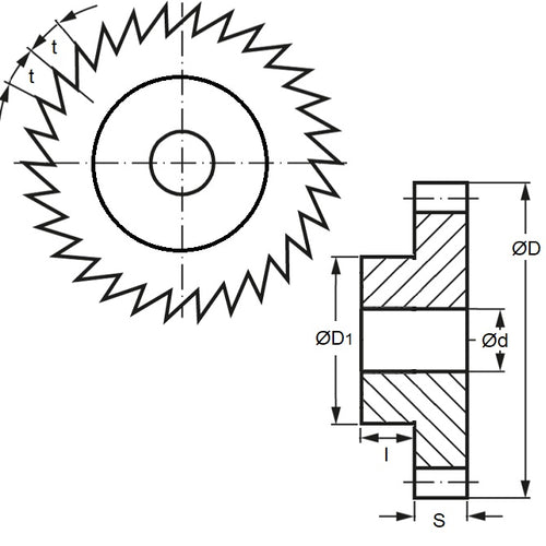
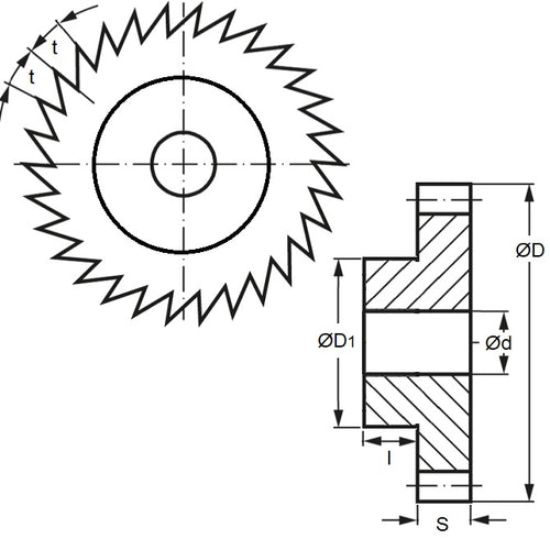
- Pitch : 2.094 CP
- Teeth (No.) 50
- Outside Diameter
33.3
mm
(Equiv. 1.311 in.) - Bore 10.00 mm
- Face Width 6 mm
- Hub Diameter 25 mm
- Hub Projection 10 mm
- Additional Info Pawl ordered separately
- Teeth Depth 1 mm
- Bore Config No Keyway
- Material Carbon Steel - Hardened 48-53 HRC
Product Compliance and Data
Additional Resources
Cross References
- 6283K62


