
Miniature Bearings Australia
BLTO-01905-S440-1SP - Datasheet
MBA
Category Information
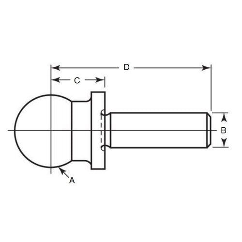
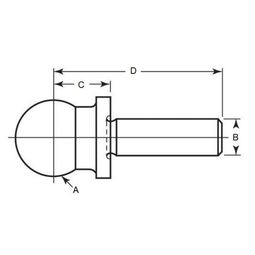
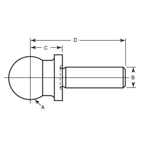
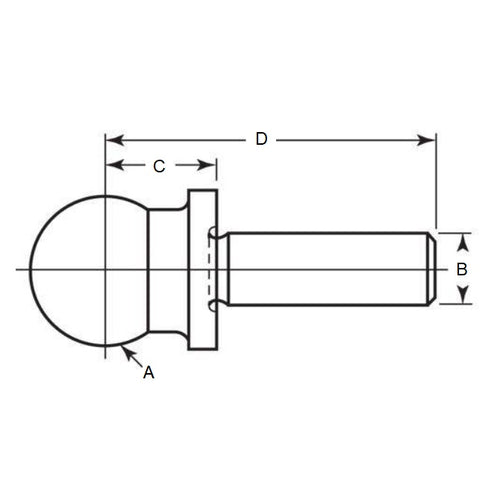
Balls - Tooling - One Piece - Shoulder - Press Fit - Stainless SteelStainless Steel Press Fit Shoulder One Piece Tooling Balls. 440C Stainless Steel heat treated to 55-58 RC
- High quality tooling balls provide a precise reference point for critical machining operations.
- Tooling balls, also known as tooling spheres or precision spheres, are precision components used in fixture design, tooling setup, and alignment applications.
- Tooling balls are made of hardened steel or other materials with high wear resistance and precision-ground surfaces.
- Available with slip fit or light press fit shank diameters.
- Precision ground shoulder provides precise C dimension to facilitate locating ball centre line.
Product Data
- Diameter (A)
:
19.050
mm
+/- 0.0051
(Equiv. 0.75 in.) - Shank Diameter (B)
9.525
mm
+ 0.0000 / - 0.0076
(Equiv. 0.375 in.) - Base to Centre (C)
31.750
mm
+/- 0.0051
(Equiv. 1.25 in.) - Shoulder to Centre (D) 12.700 mm
- Material Stainless Steel
Product Compliance and Data
Additional Resources
Cross References
- Reid Tool® TCB-26831
- TCB26831


