
Miniature Bearings Australia
SP2-127-078B-018-PB-C - Datasheet
MBA
Category Information
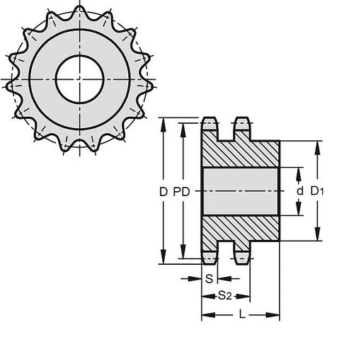
Sprockets - Roller Chain - Duplex 08B With BossDuplex 08B With Boss Roller Chain Sprockets. Match with 12.70x7.75mm duplex chain (08B-2 BS)
- This category will be discontinued when the remaining items are sold.
- All items are priced to quit.
- Backorders or orders for previously listed items in the category may still be possible - please enquire.
- Pilot bored sprockets come with a very small bore that will need to be machined by the customer to suit their shaft size.
- British Standard 08B - 1/2 inch
Product Data
Deleted Item. Available while stocks last.
Please contact us first if you wish to use this item in a new design so we can check whether production can be resumed.
- Number of Teeth : 18
- PCD
72.74
mm
(Equiv. 2.864 in.) - Standard Number 08B-2
- Type / Rows Type 3
- Bore (d) Pilot Bore
- Locking Method No Locking
- Material Carbon Steel
Product Compliance and Data
Additional Resources
Cross References
- Sprocket 08B-2-18T
- 3571N142


