
Miniature Bearings Australia
RPO-189-192-C - Datasheet
MBA
Category Information
Retaining Rings - Push On - Carbon SteelCarbon Steel Push On Retaining Rings. M1465 / DTX / Seeger ZA and KS.
- An expanded range may be available on special order. Please enquire.
- Thrust load shown is calculated for ideal conditions with mild steel shaft.
- If no thrust load is shown, testing is suggested.
Product Data
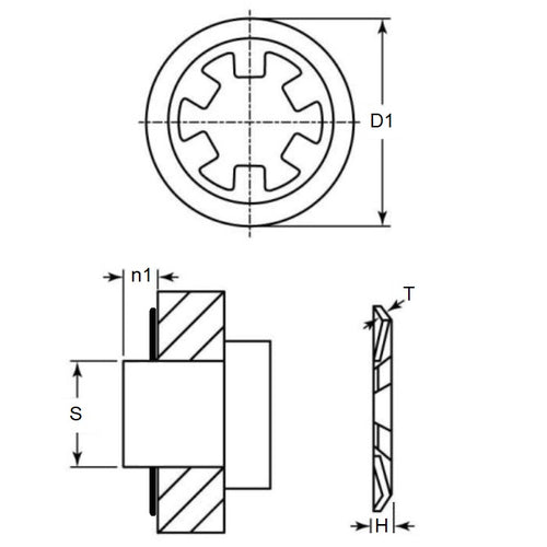
- Min shaft size (s1)
:
18.92
mm
(Equiv. 0.745 in.) - Max Shaft Size (s2)
19.18
mm
(Equiv. 0.755 in.) - Outside diameter (D1)
27.33
mm
(Equiv. 1.076 in.) - Min shaft extension (n1) 2.74 mm
- Height (H) Max. 1.37 mm
- Material Thickness (t) 0.38 mm
- Approx. Thrust Load 62 kg
- Material Carbon Steel
Product Compliance and Data
Additional Resources
Cross References
- Waldes 5115-075
- NoCor TX-075
- Rotor Clip TX-075
- N1465-0075
- N14650075APP
- N1465-0075APP
- N1465075
- N1465-075
- 5115075
- TX075


