
Miniature Bearings Australia
P-H-016-762FF-SB-N-0191U - Datasheet
MBA
Category Information
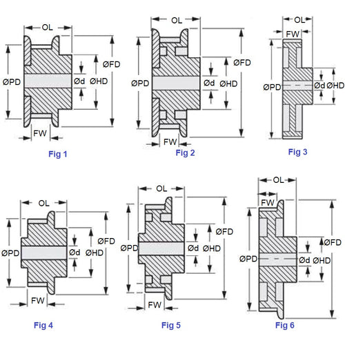
Pulleys - Inch Timing - 12.700mm Pitch H - 76.2mm Wide - Through BoreThrough Bore 76.2mm Wide 12.700mm Pitch H Inch Timing Pulleys. Timing Pulleys to suit H Series 12.700mm Pitch. Unfinished Bore.
- Timing pulleys combined with timing belts, provide power transmission without slippage.
- Timing pulleys are toothed pulleys used with timing belts to synchronize the movement of different mechanical components, ensuring precise timing and coordination.
- Some uses for timing pulleys include 3D printers, CNC machines, robotics and automation components, textile machinery, office equipment such as scanners and copiers, and medical devices requiring precise movement control.
- Steel and Cast Iron
- No grub screw
- Hub requires drilling and tapping
- Bore requires machining to finished size
Product Data
- Number of Teeth : 16
- Max Belt Width (W)
76.20
mm
(Equiv. 3 in.) - Bore (d)
19.050
mm
(Equiv. 0.75 in.) - Bore Type Unfinished
- Type 2
- Pitch Dia. (PD) 64.65 mm
- Flange Diameter (FD) 70.6 mm
- Overall Length 103.2 mm
- Hub Diameter (HD) 47.6
- Locking Type None
- Material Steel - Black Oxide
Product Compliance and Data
Additional Resources
Cross References
- Gates 16H300-6FS8
- 6495K173
- 16H3006FS8


